Toggle navigation
EProj_FA16
Ohm's Law
Voltage_Divider
Capacitor/Transistor
555_Timer
VCO Circuit
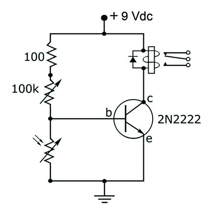
Light Sensitive (dark-actuated) Switch: